機械型式表示位置について
機械型式は部品をお調べするにあたり、必須の情報となります。部品によっては機械型式のみでお調べすることが難しい場合もあります。
型式の調べ方は「説明書を確認する」もしくは「車体プレートを確認する」方法などがあります。
コーションプレートと呼ばれる機械に関する詳細情報(機械型式、車台番号、エンジン型式、カラー番号など)が記載されている金属板をご確認ください。
コーションプレートはメーカーによりシールの場合もございます。
シールの場合は経年劣化などにより剥がれてしまうことがございますので、ご購入時にメモを取る/写真を撮る等の管理がおすすめです。
また、機械の詳細情報はご購入時の取扱説明書にも記載されておりますので、大切に保管してください。
ホンダ
フレーム号機は機械にラベルが貼り付けてあります。フレーム号機位置:(3~4桁の英数字) - (7桁の数字)
例)KZAG-1234567 / NADJ-1234567
同じ機種でもフレーム号機により取付出来ない場合があります。
適合確認致します。他機種もお取寄せ可能です。
ご注文前に適合確認されることをお勧めします。

耕運機
表示位置例)主にハンドル部分下側(付け根あたり)

運搬車
表示位置例)主にエンジン側の荷台(キャリア)側面
ダンプしてハンドル根本にラベルが貼り付けてあります。

除雪機
表示位置例)燃料コックレバー下部

発電機
表示位置例)主にエンジンスイッチ下部にあります。

エンジン
■運搬車表示位置
例)エンジン側の荷台(キャリア)側面 / 荷台(キャリア)側のエンジン側面


クボタ
機械型式はクボタ公式HPのアフターサポート→取扱説明書検索よりご確認いただけます。※古い機械の場合(検索で出てこない機械)は掲載されていない場合がございます。
エンジンはクボタ エンジン事業部公式ページのサポート→シリアルナンバーの確認よりご確認いただけます。
トラクター
表示位置例)GT23

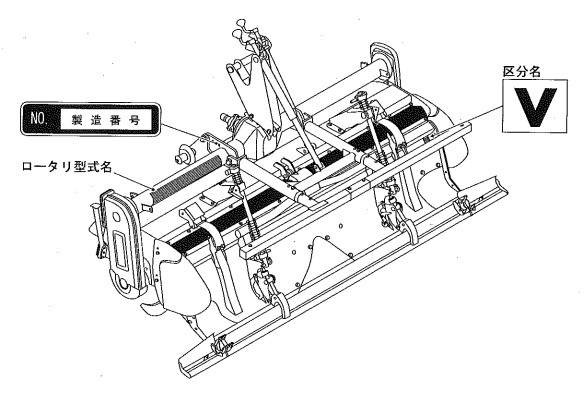
ロータリー
表示位置例)RL4G

エンジン
・GS/GR/GH シリーズ
表示位置
シリンダーブロックの側面下

・E/EA/EL シリーズ
表示位置
ギアケース側のエンジン取付面

・OC シリーズ
表示位置
ファン側のエンジン取付面に表示

イセキ
イセキ公式HPより取扱説明書をご確認いただけます。※古い機械の場合(検索で出てこない機械)は掲載されていない場合がございます。
イセキ公式HP→お客様サポート→カタログ、取扱説明書、価格表よりご覧いただけます。
トラクター
表示位置例)T7S

ロータリ
表示位置例)RAT190

三菱
三菱農機機械 公式HPより取扱説明書をご確認いただけます。※古い機械の場合(検索で出てこない機械)は掲載されていない場合がございます。
三菱農機機械 公式HP→サポート・メンテナンス→取扱説明書よりご覧いただけます。
トラクター
表示位置MT161
OHV:オーバー・ヘッド・バルブの略

ロータリー
表示位置RA122

メイキエンジン
表示位置OHVカバー下部分
OHV:オーバー・ヘッド・バルブの略


